501/7D压力控制器
发布时间:2013-05-11 05:36:50 点击:1233

产品详细:
简介:
501/7D压力控制器采用膜片式的传感器,部分规格传感器外壳材料是不锈钢,可用于腐蚀性介质,也可用于空气、气体、水蒸汽等中性气体和油等液体介质。控制器的设定值可调,调节范围0~1MPa。
特点:
501/7D压力控制器在低压范围控制灵敏度高。
主要技术性能:

规格:501/7D切换差不可调

规格:501/7D切换差可调

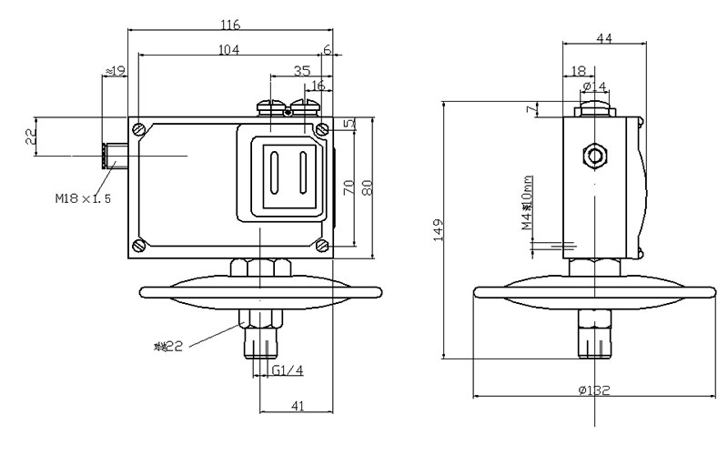
尺寸图
01

02

03

04

下一篇:504/7D压力控制器









下一篇:504/7D压力控制器